Antilock Brake System Introduction
The antilock brake system (ABS) prevents a vehicle’s wheels from locking when the brakes are applied, thereby maintaining steerability.
Locking of a vehicle’s front or rear wheels is extremely dangerous. If the front wheels lock (for example, during hard braking or when the brakes are used on a slippery road surface), the driver loses directional control and the vehicle continues moving in its current direction. If the rear wheels lock, the vehicle can spin around. An ABS controls the brakes in such a way that the wheels do not lock.

On an ordinary road surface, maximum braking force is achieved when the wheels are turning slightly just before locking. ABS automatically controls the brakes to keep the wheels in this condition.
Even an inexperienced driver can therefore brake safely and effectively. In an emergency, ABS enables the driver to apply the brakes while steering around an obstacle.
The maximum braking force is limited by the performance characteristics of the brakes. ABS does not enhance the brakes’ performance characteristics and achieve shorter stopping distances. It simply ensures that the brakes operate with maximum efficiency.
On gravel and deep, fresh snow, shorter stopping distances can, in some cases, be achieved with the wheels locked.
During ABS operation, variations in brake hydraulic pressure create slight kickback at the brake pedal. It is possible to make systems that operate without kickback. However, current systems are intentionally designed to create kickback since it provides an indication of ABS operation.
In the event of ABS malfunction, ABS warning lamp illuminates. In such condition, the brakes remain useable but the anti-lock function is lost.

ABS Brake Components and Function
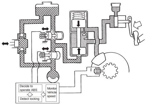
ABS consists basically of a control unit (this controls the system’s operation), a modulator (this controls the brake fluid pressure), and a set of wheel speed sensors.


The control unit constantly monitors and compares signals received from the four wheel speed sensors. When a wheel is about to lock, the control unit therefore identifies the wheel and causes the modulator to release the brake on that wheel by reducing the fluid pressure applied to it. As a result, the wheel speed recovers to a level at which locking does not occur.
Then the control unit causes the modulator to reapply the brake by increasing the fluid pressure. Thus, the wheel speed drops again to a level at which locking can occur. By repeating this operation very rapidly, the ABS keeps the wheel close to a lockup condition.
Types of ABS Brake System
Systems used in current Honda vehicles can be divided broadly into two types: Hondadeveloped ABS (developed by Honda) and OEM ABS (developed by a third-party auto parts manufacturer and used from 1996 Civic). In terms of construction, the biggest difference between a Honda-developed ABS and an OEM ABS is that the hydraulic control and regular braking circuits are independent of each other with a Honda-developed ABS.
In a Honda-developed ABS, pistons in the modulator are actuated by hydraulic pressure, thereby altering the size of chambers that is connected in series with the brake hydraulic lines. As a result, the brake hydraulic pressure is controlled as required.

Honda-developed ABSs can be further classified into two types: a type in which the accumulator (this stores the fluid used to actuate the system) is located separately from the modulator unit and a type in which the accumulator is incorporated into the modulator unit.
In an OEM ABS, the brake hydraulic pressure is controlled directly using solenoid valves and a pump.

IN: Inlet valve (Normally open)
OUT: Outlet valve (Noermally closed)
Precautions for ABS Brake Service
Honda-developed ABS has two types of circuits – high-pressure circuit and low-pressure circuit. When replacing the brake fluid, operation for the low-pressure circuit is the same as that for the conventional brake system. For the high-pressure circuit, however, a special procedure is required. For OEM ABS, brake fluid replacement procedure is the same as that for the conventional brake system.